How to set-up OqtaDrive Standalone

Building a PCB


OqtaDrive is a Sinclair Microdrive emulator for the ZX Spectrum & QL computers. It emulates a bank of up to 8 Microdrives and is built around an Arduino Nano which connects via its GPIO ports to the Microdrive interface and via serial (USB) connection to a daemon running on a host machine. Full details of the project can be found on the GitHub site

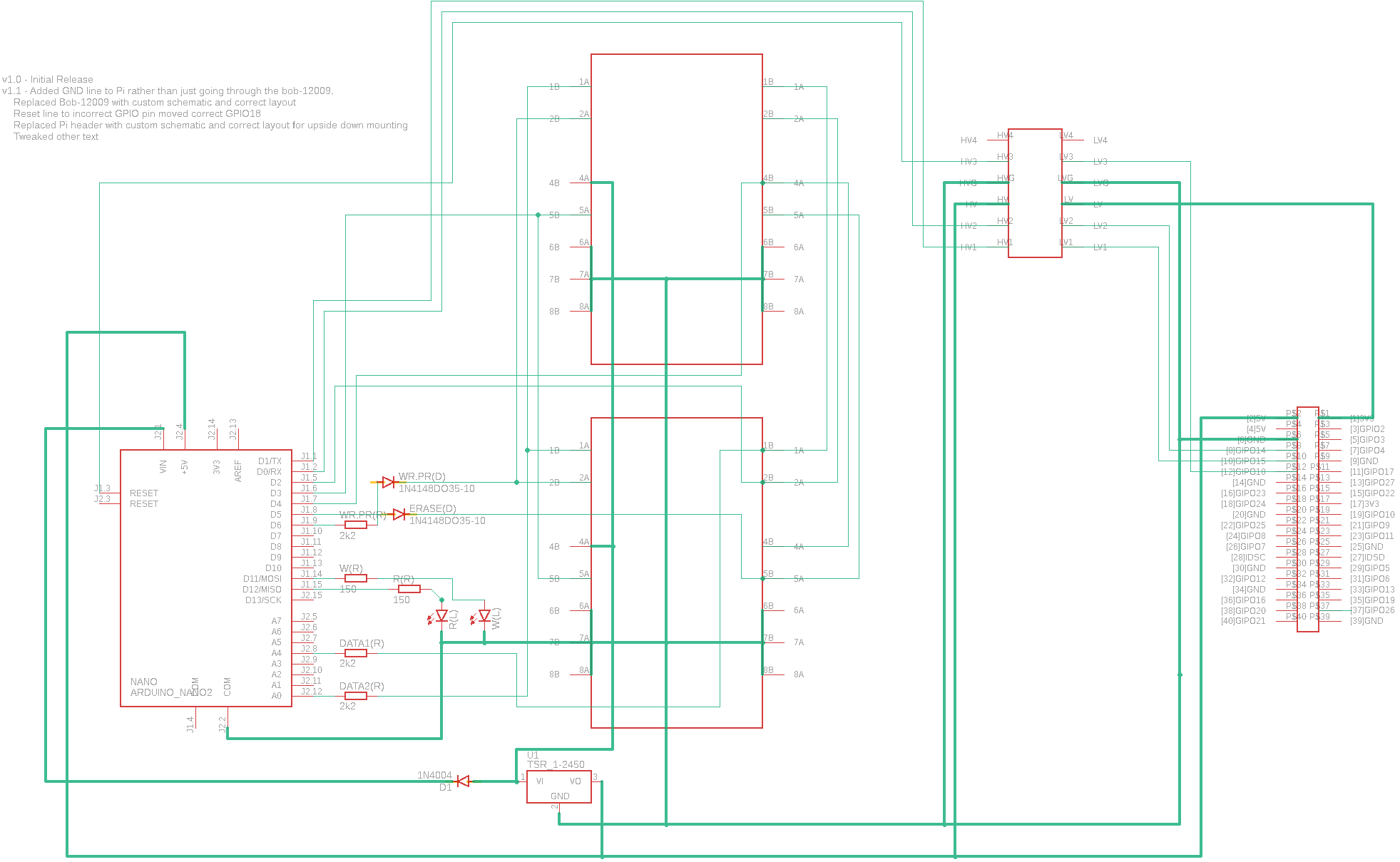
Although the OqtaDrive can simply just be a Nano connected to an edge connector, all controlled via a USB connected PC my aim of this project was to have a more standalone unit which could still be controlled by a PC but now via the power of the internet. As such I needed to move the "PC" onto the same circuit as the Nano, which meant it had to be small, and the Raspberry Pi Zero W is perfect for this. Not only has it a very small footprint, so can fit in a Microdrive case, it also has Wi-Fi built in and a low power draw which means it can in theoy be powered from the Spectrum or QL. Add to this a fully featured GPIO meaning the USB connection is no longer required and it can even be used to flash the Nano. For this project I made the following design decisions:

  • Device fully powered from the ZX Spectrum or QL via the 9V line to reduce cluter. This works fine for the Spectrum plus models & QL as they have reset buttons so don't need to be powered off to restart, however not so great on the rubber key models as the OqtaDrive needs to boot after each power off/on which takes 30seconds. I'm using this on my Spectrum 128k toastrack & QL which both have a reset buttons, so this design decision is ok for me. I am looking into a second design which uses the more powerful Pi 3A+ which will need external power but removes the boot issue.
  • TSR-2450 DC/DC 9V-5V Converter used to power both the Nano and the Pi instead of either powering the Pi from the Nano (which could be powered from the 9V line) or using a cheaper 7850. The TSR units are very efficient which means they do not get hot, reduce the power draw from the Spectrum PSU plus require less circuitry (no extra capacitors). I was also not happy powering the Pi from the Nano DC/DC converter.
  • BOB-12009 used to convert the signals from 5V (Nano) to 3.3V (Pi). These are great little units and saves building separate circuits to handle the conversion or running the Pi or Nano out of spec.
  • Ability to Flash to Nano using the Pi. This required an extra reset line adding from the Pi to the Nano but means a PC is not required.
  • Ability to use the same PCB on the Spectrum & the QL removing the need to have two devices.
  • PCB footprint fits within a Microdrive Case for full authenticity. v1.0 of the PCB unfortunately had one the screw holes in the wrong place, v1.1 fixed this.

PCB Schematic

v1.1

Here is the v1.1 schematic to connect the Pi to the Nano, and in turn to an edge connector to connect to the Spectrum or QL.

I added an option to also use the circuit without a Pi, where you would just not add the TSR-2450, the Pi or the BOB-12009 and instead just add a single 1A diode on the 9V input. This then matches the set-up on the GitHub site.

Once tested I will share the v1.1 PCB on PCBWay so you can order your own (link to be added)

OqtaDrive PCB

v1.1

Parts List for v1.0 & v1.1 PCB (v1.1 shown, v1.0 here):

  • 2x LEDs with 2x 330Ω Resistors (colour dependent)
  • 3x 2k2Ω Resistors
  • 2x 1N4148 200mA Diode
  • 1x TSR2450 DC/DC 9v-5v Converter. Do not use a 7805, circuit is missing the required capacitors and they are very inefficient.
  • 1x BOB-12009 Bi-Directional Logic Level Converter (plus 12pin socket or 2x 6pin female header) *v1.1 LV top, v1.0 LV bottom
  • 1x Arudino Nano (plus 30pin socket or 2x 15pin female header)
  • 1x Raspberry Pi Zero W (plus 40pin GPIO socket)
  • 1x Microdrive Cable

With the Headers

v1.0

Fully Made Up

v1.0

All Connected

v1.0

Prepare the Raspberry Pi Micro SD Card


If you have a headerless version, solder a header strip on the top (normal position) but it is probably just easier to buy one with a header already attached (WH model). Download & install Raspberry Pi Imager & run, pick Raspberry Pi OS (Other) -> Raspberry Pi OS Lite (32-bit) and write to a Micro SD Card (recommend 4GB). Once Imager has finished safely remove the Micro SD Card & re-insert. Ignore the Format warnings if on Windows and you should see a drive called boot

Now set-up the Raspberry Pi WiFi by creating a file in the root directory called:

wpa_supplicant.conf

In this file add the following (use notepad++), replacing YOUR... with yours:

country=GB
ctrl_interface=DIR=/var/run/wpa_supplicant GROUP=netdev
update_config=1
network={
ssid="YOURSSID"
scan_ssid=1
psk="YOURPASSWORD"
key_mgmt=WPA-PSK
}


We also need to enable SSH by creating another file in the root directory called ssh. You can now safely remove the Micro SD Card.


Initial Set-up of Raspberry Pi Zero W


Put the Micro SD Card into the Pi and plug into a power source giving the Pi a few seconds to boot (green led will flash, wait for solid). Open a Powershell window (or equivalent if not using windows) and type:

ssh pi@raspberrypi.local

You may get a message about fingerprint, just type yes. If this isn't the first Pi you've used you may get a security warning and if this happens type the following to remove the previous version:

ssh-keygen -R raspberrypi.local

The default password is raspberry and if everything is ok you will now see the pi@raspberrypi prompt. If you get a Connection timed out or similar message then check the Wi-Fi settings and try again. I'd recommend you now change your default password with passwd. I'd also recommend you update and upgrade the Pi with the following commands (go make a brew as this can take a while):

sudo apt-get update
sudo apt-get upgrade

Now launch the config tool with sudo raspi-config and turn on the hardware Serial Port via:

  • Option 3 Interface Options
  • Option P6 Serial
  • Login to be accessible over serial? No
  • Would you like the serial port hardware to be enabled? Yes

Exit the config tool & reboot


Setting up the Pi for OqtaDrive


While the Pi is rebooting download the lastest OqtaDrive Software You need the source code & the linux_arm files and once downloaded unzip & copy oqtactl (in the linux_arm zip) & oqtadrive.ino (in the source zip arduino folder) to a safe place on your PC. Log back into the Pi after reboot with

ssh pi@raspberrypi.local

Make a directory for OqtaDrive using mkdir oqtactl. I'd recommend oqtactl as we will use oqtadrive later for the Arduino sketch. Launch another Powershell (or equivalent), navigate to the safe place you've put oqtactl & oqtadrive files. We will now use scp to copy the files across to the Pi (you can use other tools to do this). In the PC PowerShell type:

scp oqtactl pi@raspberrypi.local:oqtactl

On the Pi change to the oqtactl directory cd oqtactl and make the oqtactl executable with:

chmod +x oqtactl

Back on the PC copy over the Arduino file with

scp oqtadrive.ino pi@raspberrypi.local:oqtactl


Setting up the Pi to Flash the Nano


On the Pi type cd to get back to the home directory and install the arduino-cli with:

curl -fsSL https://raw.githubusercontent.com/arduino/arduino-cli/master/install.sh | sh

You will probably get the message arduino-cli not found. You might want to add /home/pi/bin to your $PATH so to do this type:

nano ~/.bashrc and at the end of the file add export PATH=$PATH:/home/pi/bin

Either reboot the pi with sudo reboot or just type export PATH=$PATH:/home/pi/bin on your command line for this to be picked up. Type arduino-cli to test and the help should show. Create a configuration file and a new sketch using:

arduino-cli config init
arduino-cli sketch new oqtadrive

Move oqtadrive.ino from the oqtactl folder to the oqtadrive folder (overwriting the default one the sketch created) using:

mv oqtactl/oqtadrive.ino oqtadrive

If you want edit the oqtadrive.ino file to change the config use:

nano oqtadrive/oqtadrive.ino I set #define LED_RW_IDLE_ON false

From the home directory (type cd) run the following to set everything up for flashing:

  • Update the Arduino available platforms and libraries

    arduino-cli core update-index

  • Install the avr board support

    arduino-cli core install arduino:avr

  • Download dependencies and create folders

    arduino-cli compile -b arduino:avr:nano -p /dev/serial0 -t oqtadrive/oqtadrive.ino -v

  • Install some dependencies for the using the GPIO to reset the Nano

    sudo apt-get install -y python3-dev python3-rpi.gpio minicom

As we are trying to program the Nano via the hardware serial and not the USB we need to make some changes as detailed on Siytek. On the Pi navigate to the folder containing avrdude executable which after running all of the above should be in the folder (version numbers may differ):

cd /home/pi/.arduino15/packages/arduino/tools/avrdude/6.3.0-arduino17/bin

Move the avrdude executable to a backup using mv avrdude avrdude-original and then download some replacement scripts which allow us to flash the Nano via the GPIO. *NOTE the old scripts have syntax issues with Python3 so replaced with fixed versions on my website

  • curl https://tomdalby.com/other/files/autoreset -o autoreset and then chmod +x autoreset to make it executable.
  • curl https://tomdalby.com/other/files/avrdude -o avrdude and then chmod +x avrdude.
  • **v1.0 PCB only nano autoreset and change the line pin = 18 to pin = 24
  • nano avrdude and add the path to avrdude-original and |autoreset

This will give you an avrdude containing:

#!/bin/sh

sudo strace -o "|/home/pi/.arduino15/packages/arduino/tools/avrdude/6.3.0-arduino17/bin/autoreset" -eioctl /home/pi/.arduino15/packages/arduino/tools/avrdude/6.3.0-arduino17/bin/avrdude-original $@


and autoreset containing (v1.0 PCB version, v1.1 pin = 18):

#!/usr/bin/python

import RPi.GPIO as GPIO
import sys, os, re, time, fcntl
import errno

fd = sys.stdin.fileno()
fl = fcntl.fcntl(fd, fcntl.F_GETFL)
fcntl.fcntl(fd, fcntl.F_SETFL, fl | os.O_NONBLOCK)

GPIO.setwarnings(False)
GPIO.setmode(GPIO.BCM)
dtr = re.compile('.+TIOCM_DTR.+')
start = time.time()
pin = 24

def reset():
GPIO.setup(pin, GPIO.OUT)
GPIO.output(pin, GPIO.HIGH)
time.sleep(0.32)
GPIO.output(pin, GPIO.LOW)

def process():
while True:
try:
duration = time.time() - start
input = sys.stdin.readline().strip()
if input is None: # == "":
input = sys.stdin.readline().strip()
if dtr.match(input):
reset()
return
elif duration > 5000:
return
except Exception as e:
if hasattr(e, 'errno'):
if e.errno != 11: # Ignore resource unavailable
raise
else:
raise

process()
print ("avrdude-original: Using autoreset DTR on GPIO Pin " +str(pin))
GPIO.cleanup()
exit

Shutdown the Pi with sudo shutdown now and wait for the Pi LED to go out.


Flash the Nano using the Pi


You can always flash the Nano using your PC and a USB cable but using the Pi allows you to do this wirelessly plus saves messing with the PC Arduino sofware and associated drivers. After constructing the PCB, connect everything up and then power on the board. Probably the best way initially is via the USB on the Pi but for future flahes this could be by connecting it all up to the Specturm or QL. Log back into the Pi after the reboot using ssh pi@raspberrypi.local and from the home directory run the following:

  • arduino-cli compile -b arduino:avr:nano -p /dev/serial0 -t oqtadrive/oqtadrive.ino -v to compile the sketch
  • followed by arduino-cli upload -b arduino:avr:nano -p /dev/serial0 -t oqtadrive/oqtadrive.ino -v to flash the Nano
  • Depending on your nano board you may need to use arduino:avr:nano:cpu=atmega328old instead (older models)

If all goes well the Nano will be flashed. If you get sync errors then try the alternate arduino board (above) plus try again after a reboot. This is usually the step that has the most issues, as a troubleshoot make sure you did the chmod +x on the scripts and that you have the correct reset pin in autoreset (24 for the v1.0 and 18 for the v1.1 PCB). Also run arduino-cli core update-index again just be sure.


Set-up the OqtaDrive daemon


Assuming you are still logged into the Pi (if not boot the Pi and log in), then type:

sudo nano /etc/systemd/system/oqtadrive.service and put the following in this file:

[Unit]
Description=OqtaDrive
Requires=local-fs.target
[Service]
ExecStart=/home/pi/oqtactl/oqtactl serve -c if1 -d /dev/serial0
WorkingDirectory=/home/pi/oqtactl
StandardOutput=inherit
StandardError=inherit
Restart=always
User=pi
[Install]
WantedBy=multi-user.target

/dev/serial0 is the hardware serial GPIO port and -c if1 initially boots the OqtaDrive in IF1 mode. Change this to QL if this is your machine of choice (you can always resync later). Requires=local-fs.target means the filesystem should be loaded before running this. Waiting for the filesystem means it takes around 30seconds to boot the OqtaDrive from power on. You can get the daemon to boot quicker by replacing this with DefaultDependencies=false but be careful that this has not been tested fully. To load and enable this new service type:

sudo systemctl daemon-reload and then
sudo systemctl enable oqtadrive.service to enable the service

We are now ready to plug this OqtaDrive standalone into either the QL or Spectrum. Power down with sudo shutdown now. Remove the USB cable and attach the Microdrive cable to the correct side for the computer. Power on the computer and if all is well the LEDs will flash for around 30seconds and then will either go out (if you set #define LED_RW_IDLE_ON false) or be static. Once this happens the OqtaDrive is ready to use.


Using the OqtaDrive


The OqtaDrive Git Hub site has examples of how to control the drive but as a quick summary. Download the latest version of oqtactl for your PC. Put it in a directory with some Microdrive cartridges (and .Z80 snapshots). You can then use some of the following commands from a PowerShell (or equivalent):

  • ./oqtactl ls -a raspberrypi:8888 to list cartridges loaded
  • ./oqtactl resync -c if1 -a raspberrypi:8888 to resync the drive for IF1
  • ./oqtactl load -d 1 -i "WhereTimeStoodStill.mdr" -a raspberrypi:8888 to load a Cartridge
  • ./oqtactl load -d 1 -i "Defenders of the Earth (1990)(Enigma Variations)(128K).z80" -a raspberrypi:8888 to load a Z80 snapshot

raspberrypi:8888 is the address of the Pi Zero W so if you've changed that you need to change this.

One final thing, before powering off your computer I'd recommend you shutdown the Pi first as it is safer. The command ssh pi@raspberrypi.local "sudo shutdown now" does this. Wait for the LEDs to flash and then you can power off. Soft resets don't need this (Spectrum+ models or QL) as this doesn't remove the 9V power into the OqtaDrive. Running this unit on a 48k non-plus machine without a reset switch is therefore not great due to the 30sec wait each time you reboot so I'd recommend putting in a reset switch for these models (across Capacitor C27).


(Optional) Remove un-needed components for faster boot and lower power draw


These don't really add anything as installing the Lite verison of the OS disables most things but I do them to save a few mA and mS.

sudo nano /boot/config.txt with the following changes:

# Disable the rainbow splash screen
disable_splash=1

# Disable bluetooth
dtoverlay=pi3-disable-bt

# Set the bootloader delay to 0 seconds. The default is 1s if not specified.
boot_delay=0

# Disable the ACT LED on the Pi Zero.
dtparam=act_led_trigger=none
dtparam=act_led_activelow=on

# HDMI output will be switched off and blanked
hdmi_blanking=2

Add quiet to cmdline.txt using sudo nano /boot/cmdline.txt

Add the following lines to rc.local to disable HDMI.

sudo nano /etc/rc.local then add

# Disable HDMI
/usr/bin/tvservice -o

And that is that.